HOME
COMPANY
인사말
회사연혁
회사현황
CI
PRODUCT
에폭시애자
MCCB 핸들
커넥터
지지대
절연체류 액세서리
터미널 블럭
배전반 액세서리
분전반 액세서리
케이블 액세서리
AGENCY
BOARD
NOTICE
CONTACT US
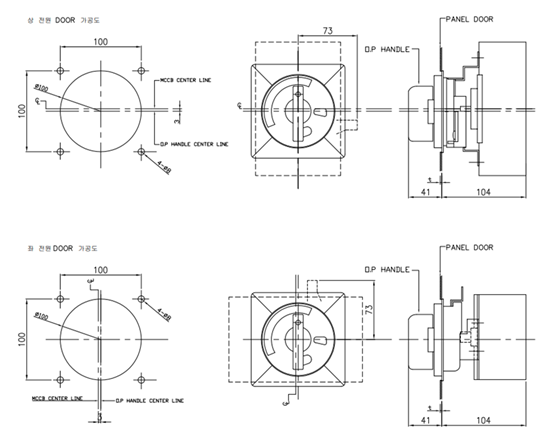
LS일렉트릭 MCCB 외부 조작 핸들
▣ 모델구성
▣ 외형치수도
DCMH-LS-3H / 3V
DCMH-LS-6H / 6V
DCMH-LS-20H / 20V
DCMH-LS-25H / 25V
DCMH-LS-30H / 30V
리스트
프린트